Developer : Mr. Yash Chaudhary, Director, Tiger Commerce Pvt. Ltd., 27, Weston Street, Room Number 601, CPS Bau Bazaar, Kolkata.

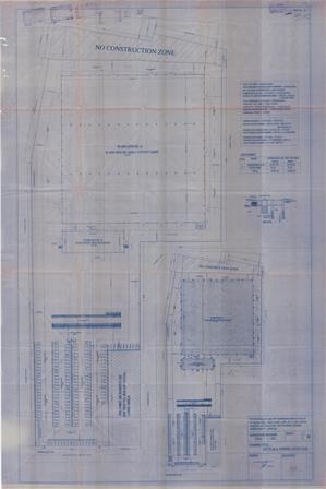
Location : Building map approval of proposed ware house of Khasra number 396/3, 399/1, 400, 401/1, 403, 404 and 405/935, Village Tatiawas, Tehsil Amer, Jaipur.


  • http://service.jaipurjda.org/jdaMicroportalProject/BPCMaps/1913//01.jpg
  • http://service.jaipurjda.org/jdaMicroportalProject/BPCMaps/1913//02.jpg
  • http://service.jaipurjda.org/jdaMicroportalProject/BPCMaps/1913//03.jpg
  • http://service.jaipurjda.org/jdaMicroportalProject/BPCMaps/1913//04.jpg